Industrial cabinet door lock is the key protective component of distribution cabinet, communication cabinet, control box and other equipment, which is directly related to the safety of internal electrical components and the stable operation of the system.
In order to meet the diversified requirements of delivery time and specifications for different projects, our company always has five types of commonly used locks in stock -- Long Bar Lock, Panel Lock, Rod Control Lock, Handle Lock,Rotary Tongue Lock. At the same time, we support any non-standard lock customized according to drawings or samples, which is perfectly suitable for all kinds of metal distribution boxes.
Plane lock is one of the most common types of industrial cabinet door locks, both beautiful and easy to maintain. Our company launched the AB301, AB302, AB303, AB402, AB403 series plane lock, in the structural strength, protection performance and operating feel of the differentiated design, can meet the different specifications of the distribution box, control cabinet installation requirements.
| Dimensions | Product Number | |||||||
| L1 | L2 | L3 | B1 | B2 | Gray chrome plating | Gray spray paint | Black powder coated | Weight(g) |
| 147 | 117 | 72 | 33 | 26.5 | AB301-1-1.2 | AB301-1-1.8 | AB301 | 370 |
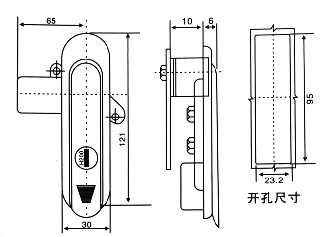
| 120.5 | 95.5 | 65 | 30 | 23.5 | AB301-2-1.2 | AB301-2-1.8 | AB302 | 290 |
| 87.5 | 62.5 | 65 | 28.5 | 23.5 | AB301-3-1.2 | AB301-3-1.8 | AB303 | 215 |
Main material: zinc alloy.
Surface treatment: bright chrome, matte, black.
Function and use: Realize left and right door opening, easy to use, with sealing and waterproof function.
Main material: zinc alloy.
Surface treatment: bright chrome, matte, black.
Function and use: Realize left and right door opening, easy to use, with sealing and waterproof function.
Material: zinc alloy lock body, rotating shaft, galvanized steel bolt, pressure plate.
Surface treatment: silver gray nano spray.
Structure description: Rotate 90 degrees to open or lock.
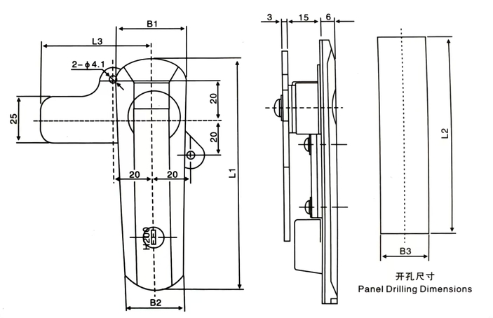
| MODEL | L1 | L2 | L3 | B1 | B2 | B3 |
| NEW AB402-A | 123 | 95.5 | 65 | 36.5 | 30 | 23.5 |
| NEW AB403-A | 91 | 62.5 | 65 | 33 | 28.5 | 23.5 |
| NEW AB401-A | 151 | 117 | 72 | 36 | 30 | 26.5 |
